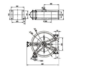
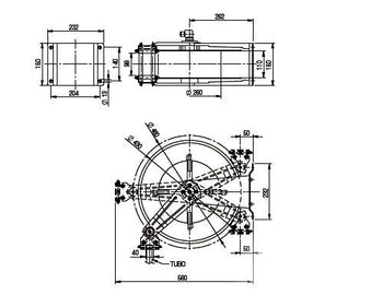
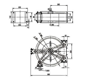
Bębny na wąż
6 Produkt(y)